標準規范 輸氣管道工程設計規范 國標50251-2015 輸氣管道工程設計規范 GB50251-2015規范共分11章和10個附錄,內容包括:總則、術語、輸氣工藝、線路、管道和管道附件的結構設計、輸氣站、地下儲氣庫地面設施、儀表與自動控制、通信、輔助生產設施以及焊接與檢驗、清管與試壓、干燥與置換等。 NEW 2020-02-29 閱讀 9506 0條評論 閱讀全文
專業基礎 線路截斷閥室流程及運行操作 閥室是輸氣干線中工藝比較簡單的設施,一般為無人值守。根據設計要求,在輸氣干線約20~30km范圍應設置閥室,在特殊情況下,如河流穿越處或地震斷裂帶兩側應分別設置閥室。典型的線路截斷閥室由緊急截斷閥和放空閥組成 NEW 2020-02-15 閱讀 2485 0條評論 閱讀全文
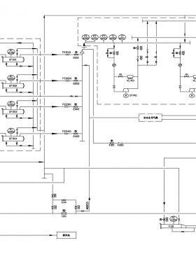
專業基礎 壓氣站工藝流程及操作 壓氣站的主要功能是給天然氣增壓,提高管道輸送能力。同時,還可以對天然氣分離和收發清管器的功能,并能在事故下對輸氣干線進行放空。 NEW 2020-02-15 閱讀 6826 0條評論 閱讀全文
專業基礎 輸氣站工藝操作及邏輯控制 輸氣站工藝操作及邏輯控制:1.站場正常自動啟動;2.旋風分離器流程操作;3.過濾分離器流程操作;4.超聲波流量計計量流程操作;5.超聲波流量計標定流程操作;6.調壓設備流程操作;7.清管器接收流程操作;8.安全泄放和放空流程操作;9.手動排污流程;10.緊急切斷流程;11.站場正常停運 NEW 2020-02-15 閱讀 1413 0條評論 閱讀全文
圖紙文件 港華燃氣實操工位設計指引 為客戶供應安全可靠的燃氣, 并提供親切、 專業和高效率的優質服務, 同時為新工程安裝、 安檢員、 安裝和維修員提供更好的專業演練場地, 合資公司須依照《DM12》、 國標和行業規范要求, 為實操工位的燃氣管道和設施進行標準安裝,并建立完整的設計方案, 定期對新加入和舊有的安檢員、 維修員和技術員進行培訓。 NEW 2019-10-18 閱讀 755 0條評論 閱讀全文
圖書圖集 液化石油氣操作技術與安全管理(第3版) 《液化石油氣操作技術與安全管理(第3版)》共九章。第一、二章分別介紹了液化石油氣的來源、物理化學特性及其對安全使用的影響;第三、四、五章分別介紹了液化石油氣的運輸、儲存和升壓混氣設備的性能構造、操作使用與維護保養;第六章介紹了液化石油氣的裝卸、充灌、汽化、混氣等工藝與操作;第七章介紹了液化石油氣站的建設布局和有關規定;第八章介紹了液化石油氣站的安全管理組織、任務、質量管理體系和主要管理制度;第九章介紹了液化石油氣常見事故的防范預案及火災處理。 NEW 2019-09-16 閱讀 637 0條評論 閱讀全文
LNG加氣設備操作規范參考 任何電氣設備的正確、規范化的操作,將會大大提高設備的性能和使用壽命,因此本公司制定了此設備操作規程,以幫助加氣站領導及操作人員更好的撐握LNG整套設備的正常操作和使用方法。 NEW 2017-06-23 閱讀 1320 0條評論 閱讀全文
天然氣門站管理手冊WORD版本 天然氣門站管理手冊WORD版本:第一部分:門站設備操作、維護、維修規程——一、天然氣門站(儲配站)管理標準;二、門站崗位操作規程;三、門站設備操作、維護、維修規程;調壓站(柜、橇、箱) NEW 2024-06-01 閱讀 1267 0條評論 閱讀全文
圖書圖集 天然氣壓氣站機械設備設計操作和技術診斷 本書是《油氣管道技術叢書》之一,內容包括壓縮機站氣體壓縮設備的運行、壓氣站動力機械設備的技術診斷、壓氣站工作的可靠性和效率、天然氣空冷器計算方法和輸氣管道配氣站工藝設備選型。 適應于從事這方面工作的工程技術人員參考。 NEW 2017-05-04 閱讀 578 0條評論 閱讀全文